Jump to content

Recommended Posts

Posted (edited)

Достали меня периодические подвесоны ферм, решил замутить автоперезагрузку. Готовые стоят негуманно, решил смастерить сам.

Использоватся будет звуковушка, кторая есть сейчас встроенная в любой мамке, а если даже вдруг и нет, то можно купить у китайцев свисток за 5 баксов.

Суть идеи такова. а выход подаётся сигнал: 2 секунды тихо, 0,1 сек синус, 2 сек тихо. Это на случай, когда вместе с компом зависает и звук. Тут вероятность того, что зависнет на звуке 1\40. Если 4 секунды не приходит импульс с звуковухи, то идёт замыкание рэсэта. Схема начинает работать после первого импульса звука.

На выходных испытаю и выложу схемку со всеми номиналами.

Из деталей надо: разъём джек, 2 реле, 1 транзистор, 3 конденсатора, 2 резистора. Максимум это всё на 200р. Никаких драйверов не надо, кроме на звучку, проигрыватель обычный виндовсмедиа.

На линуксе тоже будет работать, если есть звук.

Edited by melodic
Posted

Правильно ли я понимаю, что:

1. у вас ферма зависает именно физически. полный висяк, спасет только reset;

2. данная метода никак не реагирует и не помышляет реагировать на отвал отдельных карточек, зависания майнера, падение скорости хеширования;

3. после осуществления сброса прибор перейдёт в первоначальное состояние и не будет осуществлять никаких действий до первого импульса.

 

Насчёт пункта 1: явно проблема железа, сборки и т.п. Хотя можно использовать и в случаи не полного зависания "выключая звук". Вот только как быть с возможными лагами? Завис, например, видеодрайвер, ничего не отвечает в течении нескольких секунд пока он не будет восстановлен.

Насчёт пункта 2: именно зависание SICK/DEAD одной/нескольких карточек является самой частой и коварной проблемой. Не плохо было бы её как-то учитывать.

 

Но всё равно интересно поглядеть что получится. Может быть потом Вам удастся как-то модернизировать устройство для устранения этих (возможных) недостатков.

Posted

с подвисаниями карт сик/деад отлично справляется цгвочер, так же с отвалом карточек и снижением хэшрэйта.

а вот от полного висяка кроме ресета ничё не спасает

 

сделал тест, включил музыку на всех фермах, одна зависла, звук пропал.

завтра еду за деталями и собираю устройства.

 

от лага звука спасает, то, что устройству достаточно импульса раз в несколько секунд и всякие звуки виндовс никак не навредят процессу.

Posted (edited)

с подвисаниями карт сик/деад отлично справляется цгвочер, так же с отвалом карточек и снижением хэшрэйта.

 

Можно поподробнее?  Как именно он "справляется", и что для этого нужно сделать? Спасибо.

Edited by YaMaTo
Posted

всё будет ребят. в процессе творчеств родилась вообще простая схем, не требующая питания!

цена вопроса около 30р ) и часок для сборки криворуким.

Как будет результат, сразу поделюсь

Posted

Тут где-то читал самый четкий способ что мне понравился, это с сидиромом, когда лоток выдвигается и нажимает кнопку ресета )

А по теме, не юзайте релюшки, лучше использовать геркон + магнит (в случае с сидиром)

или геркон на который намотана тонкая проволока, эту обмотку можно подключить хоть к динамику, хоть к чему, будет работать как электромагнит, кол-во витков и сечение провода выбирается экспериментально в зависимости от того, к чему подключать.

Но герконы весьма чувствительны, и небольшого магнитного поля хватит для замыкания и размыкания контакта от любого источника питания, даже динамика или пищалки.

Posted (edited)

Еще лучше заюзать старую мобилу, к динамику или светодиоду подсветки клавиатуры подпаять обмотку геркона, на мобилу достаточно отправить смс. чтобы подсветить клавиатур или вызвать звуковой сигнал, чтобы исключить дребезг контакта, в цепь обмотки подобрать и поставить конденсатор нужной емкости.

старая мобила почти ничего не стоит, симки с нулевым балансом вполне бесплатно принимают смс и входящие, так же позвонить на такую мобилу будет бесплатно, если на той стороне трубка не возьмется.

Куда еще проще то..

Edited by hanymi
Posted (edited)
Тут где-то читал самый четкий способ что мне понравился, это с сидиромом, когда лоток выдвигается и нажимает кнопку ресета )

 

http://www.chipdip.ru/product/mp710/

http://www.chipdip.ru/product/mp701/

http://www.lanmart.ru/blogs/mikrotik-rb750up-remote-power-management-220v/

Edited by Uliss
Posted

мобила требует вмешательства. Кстати идея с мобилой тоже моя была, гдето тут постил

Мне нужна полная автоматика.

Первые опыты идут с переменным успехом. Светодиодик отрабатывает как надо, а вот на перезагрузку не хватает. Если завтро будут радиорынки не выходные, то куплю чёнить пободрее и испытаю.

Posted

Ну так понятно, что реле ни при каких раскладах без доп. питания от звуковухи не отработает. А светодиод - в лёгкую.

Так, что либо оптопару использовать вместо реле, либо транзисторный ключ, а уже через него релюшку ко внешнему питанию запитать.

 

Всё это круто очень, если не считать, что у любого решения чудовищный ценник. Себес у мастеркитовской штукенции - 100р, продают от 1К руб. + релейные модули.

Вариант с микротиком можно рассмотреть в качестве шутки только. Хотя, может кто-то и будет покупать микротик за 2-3К руб. на каждый риг, затем настраивать его... Современные микротики, конечно, песня, но всё равно доступны далеко не всем.

 

Ну и если вариант с микротиком хоть как-то можно автоматизировать (нет пинга до рига в течении N минут - ребут), то вот решение с мастеркитом требует, как минимум, выделенного компа (который не должен зависнуть ни при каких раскладах) и, видимо, "ручного мониторинга с кнопконажимайтунгом". Прошивок от конструктора гугл не предложил. Прога для компа, наверняка, тоже проприетарная... Слишком дорого за такой ком геморроя.

Posted (edited)

Всё это круто очень, если не считать, что у любого решения чудовищный ценник. Себес у мастеркитовской штукенции - 100р, продают от 1К руб. + релейные модули. Вариант с микротиком можно рассмотреть в качестве шутки только. Хотя, может кто-то и будет покупать микротик за 2-3К руб. на каждый риг, затем настраивать его... Современные микротики, конечно, песня, но всё равно доступны далеко не всем.

Так схема не секретная, кто мешает спаять этот модуль самому?

 

Собственно требуется купить только один модуль MP710 - 1080 руб  на 16 или 8 ферм цена не чрезмерная. Остальное можно не покупать, а изготовить самому с применением оптопар или твердотельных реле, по характеру нагрузки. На круг выйдет примерно 150-250р на ферму - достаточно экономное решение.

Практическое применение, с моей подачи - https://forum.bits.media/index.php?/blog/126/entry-219-ferma-35mhashs-worklog-ii-past/

Я применяю этот блок для 4 ферм, я работаю сутки-двое, поэтому суточный простой при зависании ферм, при моем отсутствии рядом, более убыточен, чем стоимость устройства. Думается, что за год эксплуатации отбилось оно уже многократно. Дополнительно могу отключить-включить 220в на БП при срабатывании термозащиты, включить-выключить внешние вентиляторы, перезапустить роутер на фермах. Фермы и сервисный ПК на разных провайдерах.

 

Модуль MP710 был предложен как альтернатива СиДи-ромному решению с внешними контактами - наличие сервисного ПК там подразумевалось. Из расчета 1 СиДи привод на 1 ферму.

 

Микротик управляет 4 фермами, одновременно раздавая им Инет (вычесть стоимость 5-канального свитча, остаток разделить на 4), плюс один управляющий выход на общий ресет по питанию 220в, вытяжку, вентиляцию и т.п. - тоже неплохое решение.

Максимально он может управлять 24 = 16 выходами + 1 сигнал стробирования или 25 = 32 выхода в статике. Небольшая доработка с внешними дешифраторами и регистром - дешево и эффективно.

 

Применение любого из этих устройств оправдано при удалении ферм на значительное расстояние и невозможности круглосуточного присутствия в непосредственной близости для перезапуска. Разовый простой сутки-двое ферм производительностью порядка 10-15Мх более убыточен, чем применение подобной автоматики управления. Первое же использование полностью окупает устройство, последующие - чистая прибыль.

Немаловажно, что любое из этих решений легко преобразуется в модульный конструктор с возможностью гибкого конфигурирования под конкретные нужды и задачи.

Edited by Uliss
Posted

Схема-то не секретная. Да и сложность схемы для средней школы, не более - можно самому набросать при должном желании. А вот ПРОШИВКА - секретная. ПО для компа (подозреваю) - тоже. А от этой платы без прошитого контроллера толку чуть меньше, чем ноль.

 

Кроме цены, есть один кардинальный недостаток: нужно непрерывно мониторить риги и в случаи проблем конектиться к сервисному ПК и "руками" нажимать кнопочки перезагрузки.

 

Хотел в своё время заделать себе аналог "Китовского" устройства на Меге16 (там даже без танцев есть не менее 3*8 выходов), но "coldreboot" решает любые проблемы, а намертво фермы никогда (у меня) не виснут. Поэтому отступился. В озвученном автором устройстве подкупает именно безучастность. Именно Watch-dog, а не "удалённый Reset". Но, как я понял, автор переоценил силы. )

Posted (edited)

Есть идея простого watchdog фермы - Arduino (Freeduino и т.п.)+резистор+оптрон. Прога на компе периодически шлет в COM-порт что-нибудь, а Arduino читает. Если в течение заданного времени в порт ничего не приходит, Arduino решает, что комп завис, и жмет Resеt через оптрон. А прикрутив реле/полевик - можно выключать/включать USB-модем для перезапуска при пропадании интернета. В самой Arduino тоже надо включить watchdog, с которым, правда, бывают проблемы, но решаемые.

Edited by alexey_2014
Posted

Кроме цены, есть один кардинальный недостаток: нужно непрерывно мониторить риги и в случаи проблем конектиться к сервисному ПК и "руками" нажимать кнопочки перезагрузки.

Тоже автоматизируется софтово на сервисном ПК. MP710 много чего может и самостоятельно и в связке с Raspberry Pi.

http://www.sinava.ru/MP710.php

http://olimp-z.ru/mp710

http://www.masterkit.ru/forum/viewtopic.php?t=1427

http://usbsergdev.narod.ru/MP710/MP710.html

 

Прога на компе периодически шлет в COM-порт что-нибудь, а Arduino читает. Если в течение заданного времени в порт ничего не приходит, Arduino решает, что комп завис, и жмет Resеt через оптрон.

Для этого не нужен микрокомпьютер. СОМ - резистор+конденсатор, сигнал на вход R генератора с делителем на 4, на выходе которого формируется сигнал Ресет. 2 корпуса микросхем ТТL или CMOS с небольшой обвязкой на 1 ферму.

Posted

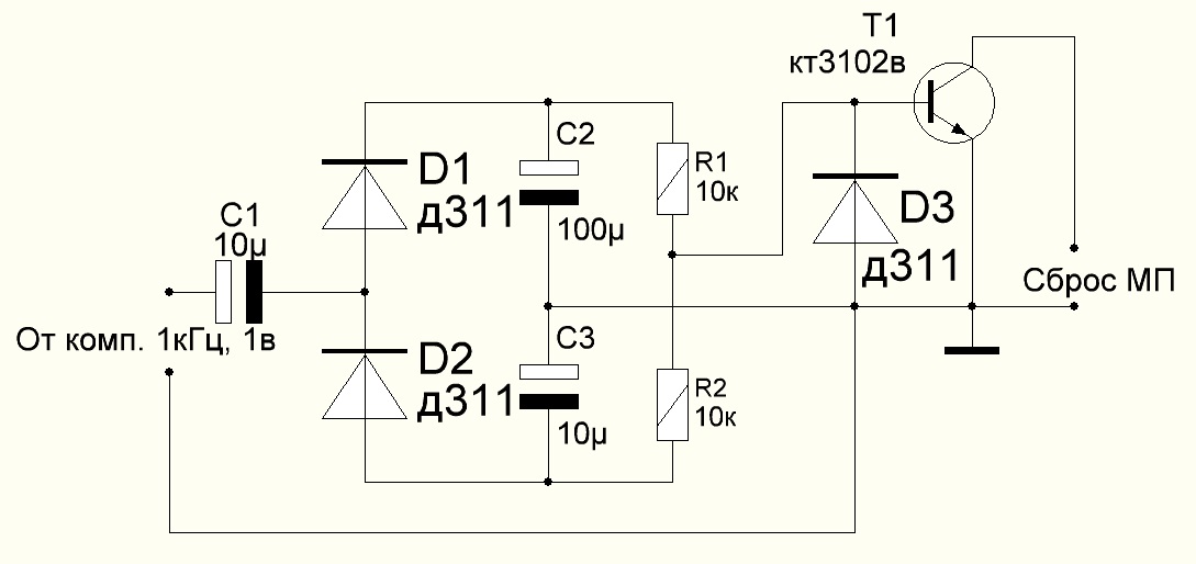
Получилось )

щас допаяю на остальные фермы и зсниму на ютуб демонстрашку.

Posted (edited)

Sound 4.wav

post-10540-0-04620300-1394292674_thumb.jpg

всё работает отлично

схема и звук прилагаю

видос как работает попозже

инструкция:

громкость должна быть на максимум, т.е. выход не менее 1В. Не каждая звуковуха такое даёт, но встроенные вроде все справляются.

Для цикличного воспроизведения лучше использовать winamp, он безглючно отрабатывает и без запаздываний.

Пауза в звуке не должна превышать 0,4 с примерно, после чего идёт сброс.

На некоторых мамкх достачтоно подключить на один контакт ресета, на некоторых надо на оба.

 

При наличии деталей, схема паяется за 15 мин, получается такой симпотичный комочек, размером с 5р монету.

 

Ещё заметил глюк, что на одном компе при подключении радмина, звук на звуковухе пропадает и передаётся на удалённую машину, что сразу приводит к ребуту.

Одно устройство мне вышло в 50р.

 

Чуть не забыл, донат можно отправлять сюда: LTC LLqSqqzp47DqNneXdQujSYDJXw8qD1Fa3B

BTC 1HSUntHg2NhiZupM4sHUsdWYX9rjUQZG42

Edited by melodic
Posted

хмм

 

у нас у всех линкс , все кто по майнит оптом.

 

винамп конечно не вариант

 

Есть предложения ?

Posted

хмм

 

у нас у всех линкс , все кто по майнит оптом.

 

винамп конечно не вариант

 

Есть предложения ?

да в линуксе тоже навалом плееров всяких разных, в том числе и консольных. Выбирайте любой, который сможет репитить без задержки и всё.

Posted (edited)

на схеме не написано как подрубается джек

 

или пофиг как ?

 

какой контакт куда идет

 

в общем соберем тестовый образец и потестим на сборках посмотрим , что выйдет

Edited by itraxe

Create an account or sign in to comment

You need to be a member in order to leave a comment

Create an account

Sign up for a new account in our community. It's easy!

Register a new account

Sign in

Already have an account? Sign in here.

Sign In Now
  • Recently Browsing   0 members

    • No registered users viewing this page.
  • Similar Topics

    • [CMD] FarmWatchBot (Autorun/Watchdog) for Ewbf, Claymore, Dstm, CCminer, Bminer, Ethminer, CastXMR, Phoenix, T-Rex, Gmnr, NB

      Версия 2.2.0 - 03.04.2022   Ewbf [Equihash] - Ewbfautorun.bat Dstm [Equihash] - Dstmautorun.bat Bminer [Equihash] - Bmnrautorun.bat Claymore [Equihash] - ClayZECautorun.bat Claymore [CryptoNote] - ClayXMRautorun.bat Claymore [NeoScrypt] - ClayNSautorun.bat Claymore [Ethash] - ClayETHautorun.bat Ethminer [Ethash] - Ethrautorun.bat Ccminer [Multialgo] - CCautorun.bat Cast XMR [CryptoNote] - Castautorun.bat Phoenix [Ethash] - Phnxautorun.bat T-Rex [Ethash] - Tr

      in Программы для майнинга

    • Watchdog Capital запустит регулируемую платформу для выпуска токенов-акций

      Брокер-дилер Watchdog Capital, регулируемый Комиссией по ценным бумагам и биржам США (SEC), готовится к запуску платформы Gladius для выпуска токенов-акций. В заявлении Watchdog говорится, что платформа сможет предоставить компаниям лучший доступ к капиталу, а также лучшие возможности для инвесторов. Gladius была разработана в соответствии с регуляторными требованиями и законами о ценных бумагах США, и сейчас работает в бета-режиме.   Брюс Фентон (Bruce Fenton), генеральный директ

      in Новости криптовалют

    • USB Watchdog v5.0

      Ребяты кто нить имел дело с красным вотчдогом как на картинке? купил на Али по этой ссылке https://ru.aliexpress.com/item/USB/32844887878.html, ПО скачал по их ссылке вот отсюда http://121.196.226.155:100/public/usbdog/USBWatchdog_V5_en.zip, но в нем нет драйверов, об установке дров в описании ничего не говорится, т.е. где их скачать, сами же они после втыкания вотчдога в USB не устанавливаются, в диспетчере устройств вотчдог висит в USB устройствах как неопознанное устройство с воскл.знаком, ид

      in Аппаратная часть

    • Самодельный майнер

      Всем добрый вечер. Собирали ли кто самодельный майнер. Скажите как успехи. И не заволялось ли у кого схемки по майнарам!))

      in Аппаратная часть

    • Китайский WatchDog

      Всех приветствую!   Господа, просьба помочь тугосоображающему с пониманием как работает китайский Watchdog (подключается через Power и Reset). А именно интересует следующее:   1. Каким образом включать компьютер (если вдруг понадобится) при такой подключенной штуковине? Каждый раз отсоединять от платы Power-пару?   2. Что делает подключенная пара Power? Просто вырубает компутер? А смысл какой в этом?   Спасибо!   P.S. Извиняюсь, если написал не в

      in Аппаратная часть

×
×
  • Create New...